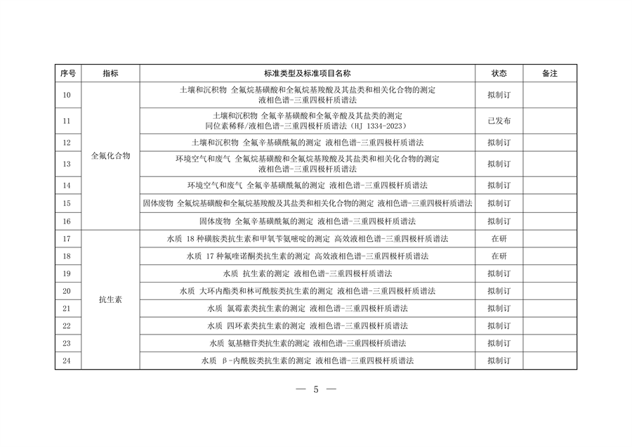
为落实《新污染物治理行动方案》,加强新污染物生态环境监测标准顶层设计,积极推动新污染物治理体系和治理能力现代化建设,生态环境部9月5日印发《新污染物生态环境监测标准体系表(2024年版)》,供开展新污染物调查监测、监督管理等工作参考。
详情如下:
关于印发《新污染物生态环境监测标准体系表(2024年版)》的通知
各省、自治区、直辖市生态环境厅(局),新疆生产建设兵团生态环境局,各流域(海域)生态环境监督管理局,中国环境科学研究院,中国环境监测总站,中日友好环境保护中心,南京环境科学研究所,华南环境科学研究所,卫星环境应用中心,国家海洋环境监测中心:
为落实《新污染物治理行动方案》,加强新污染物生态环境监测标准顶层设计,积极推动新污染物治理体系和治理能力现代化建设,我部组织编制了《新污染物生态环境监测标准体系表(2024年版)》,由新污染物生态环境监测标准体系框架图和体系项目表构成。现印发给你们,供开展新污染物调查监测、监督管理等工作参考。可转发给有关技术单位,开展标准预研究工作。
生态环境部办公厅
2024年9月3日













